丝瓜APP污下载,丝瓜视频黄片地址,丝瓜污污视频官网,丝瓜成人版在线观看

    咨询热线
    0373-268 2333
    厂家微信
    当前位置:首页 > 公司产品 > 葵瓜籽丝瓜视频黄片地址

    葵瓜籽丝瓜视频黄片地址

    葵瓜籽丝瓜视频黄片地址

    产品简介:葵瓜籽丝瓜视频黄片地址型号有直径400,直径600,直径800,直径1000,直径1200,直径1500,直径1800等常规型号,也可以根据客户的需求特殊定做

    咨询报价销售热线:0373-268 2333

    葵瓜籽丝瓜视频黄片地址:

    葵瓜籽丝瓜视频黄片地址

    葵瓜籽也叫葵花籽是菊科草本植物向日葵的种。向日葵又名丈菊、向阳花、葵花。我国各地均有栽培。秋季将花托摘下,收集成熟的瘦果(种子),晒干。临用时除去果壳(称葵瓜子仁)。性能:味甘,性平。现代用以降低血脂,又能驱虫。可供食用和油用。葵花籽富含不饱和脂肪酸,多种维生素和微量元素,加上其味道可口,因而成为一种十分受人们欢迎的休闲零食和食用油源。由于葵花籽大小不一,杂质不易清除一直是瓜子生产企业所头疼的问题。不过,现在丝瓜APP污下载机械已经解决了这一筛分难题,专门生产了葵瓜籽丝瓜视频黄片地址来满足客户的筛分要求,从而为瓜子厂家节省了不少的开支。

    葵瓜籽

    葵瓜籽丝瓜视频黄片地址由直立电机作激振源,电机上下两端安装有偏心重锤,将电机的旋转运动转变为水平、垂直、倾斜的三次元运动,再把这个运动传递给筛面。调节上、下两端重锤的相位角,可以改变物料在筛面的运动轨迹。过滤豆浆的话,丝瓜APP污下载一般将丝瓜视频黄片地址上下重锤的夹角调至90度。葵瓜籽丝瓜视频黄片地址型号有直径400,直径600,直径800,直径1000,直径1200,直径1500,直径1800等常规型号,也可以根据客户的需求特殊定做。材质有不锈钢材质,碳钢材质,316L材质,塑料丝瓜视频黄片地址等,每个材质的价格也有所差别,不同的材质价格也不一样,具体可以直接联系厂家咨询。

    葵瓜籽丝瓜视频黄片地址结构及技术参数:

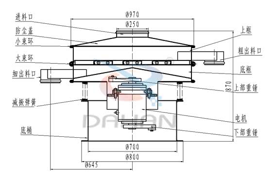
     葵瓜籽丝瓜视频黄片地址结构:进料口,防尘盖,大束环,细出料口,上框,粗出料口,底框,上部重锤,减振弹簧。

    葵瓜籽丝瓜视频黄片地址技术参数:直径mm:600-2000筛网面积m:0.24-3.01筛网规格(目):2-500进料粒度mm:<10-<30电机功率kw:0.25-3

    葵瓜籽丝瓜视频黄片地址优势体现:

    1、筛分精度高,效率高,粉、粒、粘液类皆可适用。

    2、焊接部件无死角,易清洗消毒。

    3、DH系列旋振筛采用新型网架结构,筛网使用寿命长久,换网只需3-5分钟。

    4、整机可单层、多层筛网使用。

    5、体积小不占空间,移动方便,出口可以360度任意调整。

    6、筛框与物料接触部分全部采用不锈钢制作。

    葵瓜籽丝瓜视频黄片地址应用行业:

    葵瓜籽丝瓜视频黄片地址应用行业:塑料细颗粒,洗衣粉,粉末,调料粉,金属粉,面粉等。

    旋振筛,直线丝瓜视频黄片地址,摇摆筛,超声波丝瓜视频黄片地址,试验筛

    Copyright © 2008-2022 丝瓜视频黄片地址厂家 - 新乡市丝瓜APP污下载振动机械有限公司 版权所有 免责声明

    地址:延津县森林公园大门西1000米路北 备案号:豫ICP备95528604号-20

    网站地图