丝瓜APP污下载,丝瓜视频黄片地址,丝瓜污污视频官网,丝瓜成人版在线观看

    咨询热线
    0373-268 2333
    厂家微信
    当前位置:首页 > 公司产品 > 旋振筛

    旋振筛

    旋振筛

    产品简介:旋振筛主要用于粉末、颗粒、液体筛选和过滤,粉体、颗粒可准确分为2-5级,分选精度可达98%以上,液体过滤可达5微米,过滤量可达5吨/时

    进料粒度:<10-30mm 目数:2-500目

    型号:400-2000mm 产量:100-2000公斤/时

    材质:碳钢/不锈钢/塑料 层数:1-5层

    销售热线:0373-268 2333

    咨询报价

    旋振筛试机视频

    筛分淀粉

    筛分茶叶

    过滤纸浆

    关于“旋振筛”

    旋振筛精度:500目以内(粉末,颗粒)5微米(过滤液体)产量:1-5t/h

    旋振筛是一种高精度细粉筛分机械,工作原理是由直立式电机作激振源,电机上、下两端安装有偏心重锤,将电机的旋转运动转变为水平、垂直、倾斜的三次元运动,再把这个运动传递给筛面。调节上、下两端的相位角,可以改变物料在筛面上的运动轨迹,由于其振动运转原理很多企业也称之为“三次元丝瓜视频黄片地址分过滤机”。

    旋振筛采用新型动力激振器,筛网清网装置等

    根据外形结构被部分客户称呼为圆形筛,从材质上分标准型旋振筛和普通型旋振筛的,标准型的与物料接触部分为304不锈钢材质,底座为碳钢材质,普通型的通体为普碳钢材质。旋振筛型号有直径400mm、600mm、800mm、1000mm、1200mm、1500mm、1800mm,也可以为您特殊订做。

    关于“丝瓜APP污下载牌旋振筛”

    旋振筛材质分类:塑料,全不锈钢等旋振筛层级分类:一层,两层,三层,四层等。

    "丝瓜APP污下载"DH系列三次元旋振筛产品,经客户多年使用,获得大量的反馈建议,在自有成熟的筛机制造技术基础上,旋振筛厂家丝瓜APP污下载机械工程师以满足客户需求为标准,多次技术改进,筛分效果更加优越,采用新型动力激振器,三维动力更加突出,适用范围更加广泛,丝瓜APP污下载机械公司可根据客户需求设计特殊型号,无论物料是干是湿,是精细是粗糙,是比重大是比重轻,0-400目都可以筛选,不管是液态的,还是浆状的0-600目都可以过滤."丝瓜APP污下载"旋振筛系列产品同时配备专门的筛网清理装置,把堵网率降到低,过网率和处理精度得以有效提高."丝瓜APP污下载"具备特殊型号制造的能力让顾客对"丝瓜APP污下载"有更多的选择.

    旋振筛产品特点

    全封闭,防粉尘污染:杂质,粗料自动排出可连续作业。出料口可36°旋转独特的网架设计筛网使用寿命长换网容易清洗方便。

    应用广泛:筛分细至500目或0.028mm的粉状和颗粒状,液体物料可过滤至5微米。

    不易堵网:可选弹跳球/超声波/转鼓清洁装置,防止网孔堵塞。

    多层筛选:1-5层多层筛分,可获得2-6种不同规格的成品。

    无污染:全密封结构,无粉末溢出,无液体溢出。

    自动化:杂质、粗料自动排出,可连续作业。

    操作方便:出料口可360°旋转,更换筛网仅需3-5分钟。

    旋振筛的工作原理

    物料从进料口进入筛箱内随着振动电机的振动实现物料在筛网上进行振动运动,同时利用筛网网孔的大小不同实现物料不同大小颗粒的筛分。然后从出料口位置排出丝瓜视频黄片地址体外。

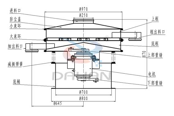
    旋振筛结构及技术参数

    旋振筛结构图旋振筛结构:进料口,防尘盖,大束环,细出料口,减震弹簧,底桶,上框,粗出料口,底框,上部重锤,电机,下部重锤。

    型 号 DH-600 DH-800 DH-1000 DH-1200 DH-1500 DH-1800 DH-2000
    直径mm Φ600 Φ800 Φ1000 Φ1200 Φ1500 Φ1800 Φ2000
    筛网面积m 0.24 0.45 0.67 1.0 1.6 2.43 3.01
    筛网规格(目) 2-500
    进料粒度mm <Φ10 <Φ15 <Φ20 <Φ30
    振次rpm 1500 1500 1500 1500 1500 1500 1500
    有效筛面直mm Φ560 Φ760 Φ930 Φ1130 Φ1430 Φ1760 Φ1960
    层数 1-5
    功率Kw 0.25 0.55 0.75 1.1 1.5 2.2 3

    “丝瓜APP污下载”旋振筛型号示意图和内部结构图

    旋振筛型号示意图丝瓜APP污下载机械有限公司筛机代号示意图:DH:丝瓜APP污下载标志。S:标准型P:普通型。

    旋振筛适用行业

    旋振筛行业应用:高浓度浆液过滤筛分机,奶粉,豆奶粉专用振筛机,奶粉,豆奶粉专用丝瓜视频黄片地址,果汁过滤专用筛,食品行业专用,苹果汁过滤专用筛,铝银浆过滤丝瓜视频黄片地址,果醋生产专用丝瓜视频黄片地址,橙汁过滤专用丝瓜视频黄片地址。

    化工行业:树脂、涂料、工业药品、化妆品、油漆、中药粉等。

    食品行业:糖粉、淀粉、食盐、米粉、奶粉、豆浆、蛋粉、酱油、果汁等。

    金属、冶金矿业:铝粉、铅粉、铜粉、矿石、合金粉、焊条粉末、二氧化锰、电解铜粉、电磁性材料、研磨粉、耐火材料、高岭土、石灰、氧化铝、重质碳酸钙、石英砂等。

    公害处理:废油、废水、染整废水、助剂、活性碳等。

    “丝瓜APP污下载”旋振筛换网图示

    旋振筛换网步骤:1,底框小V安装。2,底框坐落在振动体上,锁紧小束环螺丝。3,将弹跳球挡球环放置在托球板上。4,将网架放置在装满清网球的托盘上,并把工作网平铺在网架上。

    旋振筛厂家丝瓜APP污下载振动机械备货现场

    旋振筛备货图旋振筛厂家丝瓜APP污下载机械备货现场:全不锈钢旋振筛包装完毕,碳钢旋振筛批量展示,不锈钢底框批量展示,碳钢旋振筛底框批量展示。

    旋振筛厂家丝瓜APP污下载振动机械售后承诺

    1、保修期内非因操作不当造成需要更换的零配件及丝瓜污污视频官网由我厂负责包修、包换。

    2、质量保证期结束后,我厂将继续免费提供售后服务,不限年份终身服务,仅收取零部件成本费。

    旋振筛,直线丝瓜视频黄片地址,摇摆筛,超声波丝瓜视频黄片地址,试验筛

    Copyright © 2008-2024 丝瓜视频黄片地址厂家 - 新乡市丝瓜APP污下载振动机械有限公司 版权所有 免责声明

    地址:延津县森林公园大门西1000米路北 备案号:豫ICP备95528604号-20

    网站地图