丝瓜APP污下载,丝瓜视频黄片地址,丝瓜污污视频官网,丝瓜成人版在线观看

    咨询热线
    0373-268 2333
    厂家微信
    当前位置:首页 > 公司产品 > 小型不锈钢丝瓜视频黄片地址

    小型不锈钢丝瓜视频黄片地址

    小型不锈钢丝瓜视频黄片地址

    产品名称:小型不锈钢丝瓜视频黄片地址 价格:2400-4000元

    产品型号:DH-400-1S

    小型不锈钢丝瓜视频黄片地址为400mm直径小型丝瓜视频黄片地址,整机为304不锈钢材质,干净卫生,适用于空间有限或小规模筛分的场合,如实验室、小型生产线等。

    网孔尺寸:400目或0.028mm 产量:100公斤/时

    材质:304不锈钢或316L不锈钢

    应用:面粉、淀粉、中药粉、果汁、豆浆、大米、中药粉、小麦等小产量,卫生要求高的物料筛分

    咨询报价销售热线:0373-268 2333

    小型不锈钢丝瓜视频黄片地址概述

    小型不锈钢丝瓜视频黄片地址筛选干茶叶

    小型不锈钢丝瓜视频黄片地址是一种尺寸较小、结构紧凑的小型丝瓜视频黄片地址料机,筛面直径400mm,每小时处理量可达100公斤,适用于小规模生产线,如小型加工厂或试生产线,用于对物料进行初步的筛分和分离,具有较小的外形尺寸和轻便的结构,适合在有限空间或需要移动的场合使用。

    主要针对的是一些所需要筛分的物料量较少,所以该产品采用的也是一种较小的振动电机。

    小型全不锈钢丝瓜视频黄片地址,不锈钢+碳钢

    小型不锈钢丝瓜视频黄片地址层级展示:一层,两层,三层,四层等。

    小型不锈钢丝瓜视频黄片地址由304或316L不锈钢抛光制成,焊缝处无焊缝,易于清洁,确保没有材料沉积并避免污染筛分产品,所有橡胶制件均为硅胶材质,适用于面粉、饲料、药粉、塑料颗粒等要求洁净度和酸性的干湿物料的筛分过滤。

    小型不锈钢丝瓜视频黄片地址技术参数

    型号
    Model
    功率
    (kw)
    筛分直径
    (m/m)
    入料粒度
    (mm)
    电压
    (v)
    转速
    (r/min)
    处理量
    (kg/h)
    DH-400 0.18 350 <10 380 1440 100

    小型不锈钢丝瓜视频黄片地址视频

    筛选硅石粉

    筛分甘草片

    小型不锈钢丝瓜视频黄片地址用途

    应用现场

    小型不锈钢丝瓜视频黄片地址可用于筛分面粉、原料药、果汁、豆浆、大米、中药粉、小麦、芝麻、咖啡、香料、中药片剂、胶囊剂等干粉或颗粒状产品以及湿产品和液体,它可以通过连续过滤去除产品中的异物,可用于制药、化工、食品、金属粉末等行业。

    1、去除杂质:通常是1层筛网,通常通过筛网的精细产品会被保留为优质产品,也可用于去除破损或尺寸过小的产品。在大多数生产环境中,要么是流程中防止污染,要么是包装机之前进行质量检查。

    2、分级:从产品中分离出不同大小的颗粒,从而使最终物料被分类为不同的大小。由于粒度非常接近孔径,分级筛的吞吐量通常比垃圾筛慢得多,然而,这可以通过更大的筛网面积或微调电机重量设置来补偿。

    3、固液分离:能快速去除各种浆料中的不溶物。每小时可过滤100立方米,适用于陶瓷釉料、颜料、豆浆、果汁等液体的过滤。

    小型不锈钢丝瓜视频黄片地址工作原理

    小型不锈钢丝瓜视频黄片地址采用立式振动电机为激振源,根据不同的筛分要求,物料通过1-5层不同目数的筛网,在这个过程中,位于各层筛网下方的清洁装置不断地撞击筛网,有效避免物料堵塞问题,不同目数的物料通过各层相应目数的筛网或通过各层设置的出口排出,实现筛选或过滤的目的。调整电机上下端的相位角可以改变物料在筛面上的运动轨迹。

    小型不锈钢丝瓜视频黄片地址的特点

    效率高:效率高,设计精巧耐用,任何分类,粘液均可的筛分。操作简单:换网容易,操作简单,清洗方便。网孔不堵塞:网孔不堵塞,粉末不飞扬,可筛至400目或0.028mm,连续作业:杂质,粗料自动排出,可以连续作业。

    适用低产量用户,价格低至4000元,杂质,粗料自动排出。

    1、尺寸小巧:尺寸相对较小,体积紧凑,重量轻,便于搬运和安装,它适用于空间有限的场所,如实验室、小型生产线等。

    2、小批量筛选:筛机直径为400mm,小产量用户,每小时处理量可达100公斤。

    3、干净卫生、易于清洗:采用304/316L不锈钢材质制成,不易生锈,干净卫生。符合食品,医药行业卫生。

    4、筛分精细:可去除过大和污染物以提高您的产品质量,可筛分500目或0.028mm粉粒,也可过滤5微米以内的浆液。

    5、筛网易更换:筛网通常采用钢丝网或合成纤维网,用户可以根据需要选择不同规格和孔径的筛网,以满足不同粒度的物料筛分要求。

    小型不锈钢丝瓜视频黄片地址配件细节图

    筛框,振动底座,弹跳球,密封圈。

    小型不锈钢丝瓜视频黄片地址是一种常见的丝瓜视频黄片地址丝瓜污污视频官网,它采用旋转振动方式进行物料筛分。其结构主要包括以下几个部分:

    筛箱:筛箱是旋振筛的主体部分,通常为圆筒形状。它由上盖、下底座和侧板组成。筛箱内设置有筛网(也称为筛片),用于筛分物料。

    振动电机:安装在筛箱的下底座上,通过固定座将振动力传递给筛箱,使其产生旋转振动。

    筛网:通常由金属丝网或合成纤维网等材料制成,具有不同的孔径和网眼尺寸,根据物料筛分要求选择合适的筛网规格。

    筛框:筛框是筛网的支撑结构,通常由金属材料制成。它提供了筛网安装的支撑平台,并保持筛网的稳定性和紧固。

    进料口:上方设置有进料口,用于将待筛分的物料投入筛箱内。进料口通常具有导流装置,以确保物料均匀分布在筛网上。

    出料口:用于排出已筛分的物料。出料口通常设有挡板或导流装置,以控制物料的流动方向和速度。

    出料口挡板:出料口挡板或导流装置用于控制已筛分物料的流动方向和速度,以便将物料导向所需的出料路径。

    小型不锈钢丝瓜视频黄片地址客户使用现场

    客户案例

    材料 网孔尺寸 产能 (kg/h IT/h)
    中药粉 100-300 400-600
    面粉 20-80 1000
    可可粉 300 700
    研磨咖啡 20-80 400-800
    蜂蜜 80 200

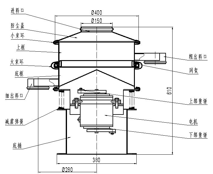
    小型不锈钢丝瓜视频黄片地址尺寸

    进料口,防尘盖,小束环,上框,大束环,粗出料口,大束环,细出料口,减震弹簧,底桶,电机,上部重锤,下部重锤,网架。

    型号 A B C D E F G H I
    DH-400-1S 380 280 150 400 100 70 280 715 350

    小型不锈钢丝瓜视频黄片地址应用场景

    小型丝瓜视频黄片地址的处理能力相对较小,适用于小批量物料的筛分和分离。

    1、实验室和研发:用于实验室和研发领域,用于对小批量物料进行筛分和分级。它可以用于评估物料的颗粒特性、分布和筛分效果,为后续工艺和产品开发提供数据支持。

    2、食品加工:可以用于粮食加工中的谷物筛分、食品原料的分级、粉末状食品的筛分等。小型丝瓜视频黄片地址可以帮助提高食品的质量和安全性,满足不同颗粒大小的要求。

    3、化工工业:用于化工原料的筛分、颗粒状产品的分级、粉末的筛分等。小型丝瓜视频黄片地址可以帮助提高化工产品的质量和均匀度,并满足特定的颗粒要求。

    4、制药行业:可以用于检测医药颗粒中的颗粒大小和颗粒分布,确保医药的质量和一致性。

    小型不锈钢丝瓜视频黄片地址厂家

    丝瓜APP污下载小型丝瓜视频黄片地址厂家提供小型丝瓜视频黄片地址分机(小型不锈钢旋振筛),不锈钢丝瓜视频黄片地址,小型不锈钢超声波丝瓜视频黄片地址,小型不锈钢单层丝瓜视频黄片地址,小型不锈钢多层丝瓜视频黄片地址,小型不锈钢丝瓜视频黄片地址粉机,小型不锈钢圆丝瓜视频黄片地址,小型粮食丝瓜视频黄片地址等产品,型号全,价格低至3000元起,材质有碳钢,不锈钢,塑料三种,层级1-5层,适合500目内的粉末,颗粒,液体物料,是小产量用户专用丝瓜污污视频官网。

    发货现场

    旋振筛,直线丝瓜视频黄片地址,摇摆筛,超声波丝瓜视频黄片地址,试验筛

    Copyright © 2008-2024 丝瓜视频黄片地址厂家 - 新乡市丝瓜APP污下载振动机械有限公司 版权所有 免责声明

    地址:延津县森林公园大门西1000米路北 备案号:豫ICP备95528604号-20

    网站地图