丝瓜APP污下载,丝瓜视频黄片地址,丝瓜污污视频官网,丝瓜成人版在线观看

    咨询热线
    0373-268 2333
    厂家微信
    当前位置:首页 > 丝瓜成人版在线观看 > 薄荷粉丝瓜视频黄片地址|薄荷粉丝瓜视频黄片地址价格|薄荷粉丝瓜视频黄片地址厂家

    薄荷粉丝瓜视频黄片地址|薄荷粉丝瓜视频黄片地址价格|薄荷粉丝瓜视频黄片地址厂家

    发布时间:2016-01-26 00:00:00 浏览次数:

      薄荷有“热时清凉,冷时暖身”的双重特性,因此可有效地治疗感冒。薄荷性辛、凉,归肺、肝经。有疏散风热、清利头目、利咽、透疹、疏肝解郁之功效薄荷粉为调味香辛料,薄荷粉除杂工艺有多种方法,筛分丝瓜污污视频官网推荐使用我公司生产的薄荷粉丝瓜视频黄片地址,该丝瓜污污视频官网室专门针对粉状物料研发而成,对薄荷粉的筛分效果非常好。薄荷粉丝瓜视频黄片地址型号有直径400mm,600mm、800mm、1000mm、1200mm、1500mm、1800mm等常规型号,也可以另外特殊订做。

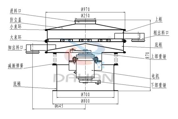
    薄荷粉丝瓜视频黄片地址

      薄荷粉丝瓜视频黄片地址工作原理:

      薄荷粉丝瓜视频黄片地址采用立式振动电机作为激振源,通过振动电机上下两端的偏心重锤将旋转运动转变为水平、垂直、倾斜的三次元运动,并传递到丝瓜视频黄片地址的筛面上;薄荷粉通过入料口进入丝瓜污污视频官网内,根据不同筛分要求,薄荷粉经过1-5层采用不同目数的筛网的筛分层,在这个过程中,位于各层的筛网下的清网装置不断撞击筛网,使薄荷粉能够顺畅的筛分,并有效避免薄荷粉堵网问题的出现,不同目数的薄荷粉通过各层对应目数的筛网或经设置在各层的出料口排出,终实现筛选或过滤的目的。

    薄荷粉丝瓜视频黄片地址工作原理图

      薄荷粉丝瓜视频黄片地址内部结构:

    薄荷粉丝瓜视频黄片地址内部结构

      薄荷粉丝瓜视频黄片地址安装注意事项:

      1、丝瓜污污视频官网应有稳定的基础。当丝瓜污污视频官网安装于一般地面或水泥基础上时,可以不设置地脚螺栓。当丝瓜污污视频官网安装于钢结构架台之上时,应用螺栓紧固于结构体上,而且钢结构架台应有一定的钢度。本机只需三相开关一只(备注:好使用电气控制盘),用蛇皮管穿线,将电机接至电源即可,注意电气控制盘应悬挂安装于墙上。

      2、丝瓜污污视频官网出厂前已将筛网装妥,使用过程中的筛网更换可自己更换。

      3、开机前,应先检查各压紧螺栓的紧固程度,及各料口的位置是否与接料器对正,并观察振动电机是否能正常转动及弹簧受力有无阻碍,检查各层筛网是否压紧。

      4、当旋振筛接入电气控制盘之前,应首先对电气控制盘进行检查。线路接通后观察振动电机旋转方向是否是顺时针方向, (备注:否则应改变相序)运转是否正常,有无异噪声。

      5、调节振动电机上下偏心块的相位角,以适应各种物料筛分情况。

      薄荷粉丝瓜视频黄片地址厂家丝瓜APP污下载机械生产的薄荷粉丝瓜视频黄片地址具有技术成熟,质量可靠,稳定性高,运行成本低,筛分精度高、效率高,设计精巧耐用,噪音低,可连续作业、物料可360度方向自动排出、整机封闭性能好,粉末不飞扬,液体不泄露,可单、多层同时使用,高可达5层等特点。

    上一篇:石墨丝瓜视频黄片地址分机 下一篇:性价比高-丝瓜APP污下载不锈钢丝瓜视频黄片地址

    旋振筛,直线丝瓜视频黄片地址,摇摆筛,超声波丝瓜视频黄片地址,试验筛

    Copyright © 2008-2022 丝瓜视频黄片地址厂家 - 新乡市丝瓜APP污下载振动机械有限公司 版权所有 免责声明

    地址:延津县森林公园大门西1000米路北 备案号:豫ICP备95528604号-20

    网站地图